SL2-00NE000H3

Описание
Информация для заказа
Optical Data | |
|---|---|
| Range | 0...20 m |
| Switching Hysteresis | <{} 15 % |
| Light Source | Red Light |
| Max. Ambient Light | 10000 Lux |
| Opening Angle | ± 4 ° |
Electrical Data | |
| Sensor Type | Receiver |
| Supply Voltage | 19,2...28,8 V DC |
| Current Consumption (Ub = 24 V) | <{} 15 mA |
| Response Time | 1,8 ms |
| Temperature Range | -25...60 °C |
| Switching Output Voltage Drop | <{} 1,5 V |
| PNP Switching Output/Switching Current | 300 mA |
| Residual Current Switching Output | <{} 50 µA |
| Short Circuit and Overload Protection | yes |
| Reverse Polarity Protection | yes |
| Protection Class | III |
Mechanical Data | |
| Housing Material | Plastic |
| Full Encapsulation | yes |
| Degree of Protection | IP67 |
| Connection | M12 ? 1{} 4-pin |
Safety-relevant Data | |
| ESPE Type (EN 61496) | 2 * |
| Safety Category (EN ISO 13849-1) | 2* |
| Performance Level (EN ISO 13849-1) | PL c* |
| Mission Time TM (EN ISO 13849-1) | 20 a |
| MTTFd (EN ISO 13849-1) | 381 a |
Connection Diagram | |
![]() | |
![]() | |
Ctrl. Panel / Optic | |
![]() | |
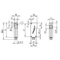
Dimensioned Picture | |
![]() | |
| All dimensions in mm (1 mm = 0.03937 Inch) | |
Complementary Products | |
| Path-Folding Mirror Z2UG001 | |
| Set Protective Housing ZSN-NN-02 | |
| Software | |
По вопросу интересующей Вас продукции, пожалуйста, свяжитесь с нами:
8 (029) 555-8-000 | |
8 (044) 555-8-000 | |
8 (017) 255-8-000 |
Или отправьте нам запрос на e-mail: zapros@filfar.by
- Цена: Цену уточняйте
Информация для покупателя
ООО «ФилФар Технолоджи»
220036, г. Минск, ул. Западная, д.13, к.519
Дата регистрации в Торговом реестре/Реестре бытовых услуг: 18.03.2015
Номер в Торговом реестре/Реестре бытовых услуг: 220993, Республика Беларусь
УНП: 192123248
Регистрационный орган: Минский горисполком
Дата регистрации компании: 18.09.2013
Ссылка на свидетельство/лицензию
Режим работы:
| День | Время работы |
|---|---|
| Понедельник | 09:00-17:00 |
| Вторник | 09:00-17:00 |
| Среда | 09:00-17:00 |
| Четверг | 09:00-17:00 |
| Пятница | 09:00-17:00 |
| Суббота | Выходной |
| Воскресенье | Выходной |

Optical Data






