P31226 IGVU 05 GS

Ege предлагает специальные индуктивные переключатели близости для специальных применений. Фокус на переключателях которые превышают IP 69K с диапазоном температур до + 120 °C и оптимально одет для коррозионных сред. Высокотемпературные переключатели до 160 °C также offerd. Другие датчики горячей зоны можно использовать в температурах до 250 °C. нижний конец масштаба температуры на -60 °C и применяется к ПРИПОЛЮСНЫМ переключателям. Большие расстояния переключения до 170 mm и датчики упорные к маслам за вальцовки сделанным от PTFE, PP или PEEK также имеющиеся для пищевой промышленности. Искробезопасные датчики ex-classified в соответствии с ATEX и компактными датчиками dust-EX и gas-EX завершают программу продукта.
Серия IGVU (ударопрочные)Наименования / Артикул (заказные номера): | ||||||
| Резьба M12 / M18 / M30 Цельный корпус из нерж. стали Питание DC 10…30V | ![]() | |||||
| Исполнение | DC PNP M12 • M18 • M30 | DC 2-х проводный M12 • M18 • M30 | ||||
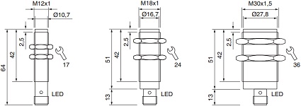
| Габариты | ![]() | |||||
| М12 | М18 | М30 | М12 | М18 | М30 | |
| Ном. расстояние срабат. [мм] | 2 | 5 | 10 | 2 | 5 | 10 |
| Выход | ![]() | ![]() | ![]() | ![]() | ![]() | ![]() |
| Артикул | Соответствие артикула наименованию датчика см. выше в начале таблицы | |||||
| Тип | IGVU 02 GSP | IGVU 05 GSP | IGVU 10 GSP | IGVU 02 GS | IGVU 05 GS | IGVU 10 GS |
| Питание [VDC] | 10-30 | 8-30 | ||||
| Ток нагрузки [мА] | 250 | 150 | ||||
| Защита от к/з | да | да | ||||
| Защита от переполюс. | да | да | ||||
| Падение напр. [V] | 1.5 | 3.5 | ||||
| Ток потребл. [мА] | 5 | 1.5 | ||||
| Частота переключ. [Гц] | 180 | 180 | 150 | 180 | 180 | 150 |
| Окруж. темпер. [°C] | -25…+80 | |||||
| Класс ЭМС | А | |||||
| Степень защиты [EN 60529] | IP68 + IP69K | |||||
| LED | да | |||||
| Материал корпуса | нерж. сталь (1.4404) | |||||
| Подкл. | разъём M12 | |||||
![]() | ||||||
По вопросу интересующей Вас продукции, пожалуйста, свяжитесь с нами:
8 (029) 555-8-000 | |
8 (044) 555-8-000 | |
8 (017) 255-8-000 |
Или отправьте нам запрос на e-mail: zapros@filfar.by
- Цена: Цену уточняйте
ООО «ФилФар Технолоджи»
220036, г. Минск, ул. Западная, д.13, к.519
Дата регистрации в Торговом реестре/Реестре бытовых услуг: 18.03.2015
Номер в Торговом реестре/Реестре бытовых услуг: 220993, Республика Беларусь
УНП: 192123248
Регистрационный орган: Минский горисполком
Дата регистрации компании: 18.09.2013
Ссылка на свидетельство/лицензию
Режим работы:
| День | Время работы |
|---|---|
| Понедельник | 09:00-17:00 |
| Вторник | 09:00-17:00 |
| Среда | 09:00-17:00 |
| Четверг | 09:00-17:00 |
| Пятница | 09:00-17:00 |
| Суббота | Выходной |
| Воскресенье | Выходной |









