P31246 IGMU 02 GSP

Ege предлагает специальные индуктивные переключатели близости для специальных применений. Фокус на переключателях которые превышают IP 69K с диапазоном температур до + 120 °C и оптимально одет для коррозионных сред. Высокотемпературные переключатели до 160 °C также offerd. Другие датчики горячей зоны можно использовать в температурах до 250 °C. нижний конец масштаба температуры на -60 °C и применяется к ПРИПОЛЮСНЫМ переключателям. Большие расстояния переключения до 170 mm и датчики упорные к маслам за вальцовки сделанным от PTFE, PP или PEEK также имеющиеся для пищевой промышленности. Искробезопасные датчики ex-classified в соответствии с ATEX и компактными датчиками dust-EX и gas-EX завершают программу продукта.
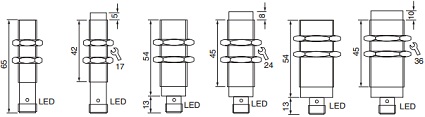
Серия IGМ M12 / M18 / M30 (укороченный металлический корпус)Наименования / Артикул (заказные номера): | ||||||||
| Питание DC 10…48V | ![]() | |||||||
| Исполн. | DC PNP • M12x1 | DC PNP • M18x1 | DC PNP • M30x1,5 | |||||
| Габариты Монтаж: заподлицо (b) не заподлицо (nb) | ![]() | |||||||
| Ном. расстояние срабат. [мм] | 2 b | 4 nb | 5 b | 8 nb | 10 b | 15 nb | ||
| GSP | ![]() | Арт. | Соответствие артикула наименованию датчика см. выше в начале таблицы | |||||
| Тип | IGMU 02 GSP | -/- 04 -/- | -/- 05 -/- | -/- 08 -/- | -/- 10 -/- | -/- 15 -/- | ||
| GSOP | ![]() | Арт. | – | – | Соответствие артикула наименованию датчика см. выше в начале таблицы | |||
| Тип | – | – | IGMU 05 GSOP | -/- 08 -/- | -/- 10 -/- | -/- 15 -/- | ||
| Напр. питания [VDC] | 10-48 | |||||||
| Ток нагрузки [мА] | 200 | |||||||
| Защита от к/з | • | |||||||
| Защита от переполюс. | • | |||||||
| Падение напряж. [V] | 2 | |||||||
| Ток потребл. [мА] | 2,5 | |||||||
| Частота переключ. [Гц] | 500 | |||||||
| Окруж. темп. [°C] | -25…+75 | |||||||
| Класс ЭМС | А | |||||||
| Степень защиты [EN 60529] | IP67 | |||||||
| LED | • | |||||||
| Материал корпуса | Ms-Ni / PBT | |||||||
| Подкл. | разъём M12 | |||||||
![]() | ||||||||
По вопросу интересующей Вас продукции, пожалуйста, свяжитесь с нами:
8 (029) 555-8-000 | |
8 (044) 555-8-000 | |
8 (017) 255-8-000 |
Или отправьте нам запрос на e-mail: zapros@filfar.by
- Цена: Цену уточняйте
ООО «ФилФар Технолоджи»
220036, г. Минск, ул. Западная, д.13, к.519
Дата регистрации в Торговом реестре/Реестре бытовых услуг: 18.03.2015
Номер в Торговом реестре/Реестре бытовых услуг: 220993, Республика Беларусь
УНП: 192123248
Регистрационный орган: Минский горисполком
Дата регистрации компании: 18.09.2013
Ссылка на свидетельство/лицензию
Режим работы:
| День | Время работы |
|---|---|
| Понедельник | 09:00-17:00 |
| Вторник | 09:00-17:00 |
| Среда | 09:00-17:00 |
| Четверг | 09:00-17:00 |
| Пятница | 09:00-17:00 |
| Суббота | Выходной |
| Воскресенье | Выходной |










