P31013 IGM 1 GSP

Ege предлагает специальные индуктивные переключатели близости для специальных применений. Фокус на переключателях которые превышают IP 69K с диапазоном температур до + 120 °C и оптимально одет для коррозионных сред. Высокотемпературные переключатели до 160 °C также offerd. Другие датчики горячей зоны можно использовать в температурах до 250 °C. нижний конец масштаба температуры на -60 °C и применяется к ПРИПОЛЮСНЫМ переключателям. Большие расстояния переключения до 170 mm и датчики упорные к маслам за вальцовки сделанным от PTFE, PP или PEEK также имеющиеся для пищевой промышленности. Искробезопасные датчики ex-classified в соответствии с ATEX и компактными датчиками dust-EX и gas-EX завершают программу продукта.
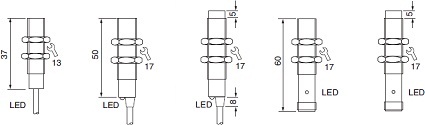
IGM M8 / M12Наименования / Артикул (номера заказа): | |||||
| Питание DC 10…30 V | ![]() | ||||
| Исполнение | M8x1 | DC PNP • M12x1 | DC PNP • M12x1 | ||
| Габариты Монтаж: заподлицо (b) не заподлицо (nb) | ![]() | ||||
| Ном. расстояние срабатывания [мм] | 1,5 b | 2 b | 4 nb | 2 b | 4 nb |
| Выход PNP | ![]() | ![]() | ![]() | ![]() | ![]() |
| Артикул / Заказной номер | Соответствие заказного номера наименованию см. выше в начале таблицы | ||||
| Тип | IGM 1 GSP | IGM 102 GSP | IGM 104 GSP | IGMU 102 GSP | IGMU 104 GSP |
| Напр. питания [V] | 10…30 DC | 10…30 DC | 10…30 DC | 10…30 DC | 10…30 DC |
| Ток нагрузки [мА] | 200 | 200 | 200 | 200 | 200 |
| Защита от короткого замыкания | • | • | • | • | • |
| Ограничение тока нагрузки [мА] | 250 | 250 | 250 | 250 | 250 |
| Защита от неправильной полярности | • | • | • | • | • |
| Падение напряжения max. [V] | 2 | 2 | 2 | 2 | 2 |
| Остаточный ток [mA] | – | – | – | – | – |
| Потребление тока (в состоянии покоя) [mA] | <10 | <5 | <5 | <5 | <5 |
| Частота переключения [Hz] | 1000 | 800 | 400 | 800 | 400 |
| Окружающая температура [°C] | -20…+70 | -25…+70 | -25…+70 | -25…+70 | -25…+70 |
| Класс ЭМС | A | A | A | A | A |
| Степень защиты [EN 60529] | IP 67 | IP 67 | IP 67 | IP 67 | IP 67 |
| LED | • | • | • | • | • |
| Материал корпуса | нерж. сталь | Ms-Ni / PPO | Ms-Ni / PPO | Ms-Ni / PPO | Ms-Ni / PPO |
| Подключение | 2м PVC-Кабель 3×0,14мм? | Разъём M12 | |||
![]() | |||||
| Принадлежности | Кабель SLG 3-2 | ||||
По вопросу интересующей Вас продукции, пожалуйста, свяжитесь с нами:
8 (029) 555-8-000 | |
8 (044) 555-8-000 | |
8 (017) 255-8-000 |
Или отправьте нам запрос на e-mail: zapros@filfar.by
- Цена: Цену уточняйте
ООО «ФилФар Технолоджи»
220036, г. Минск, ул. Западная, д.13, к.519
Дата регистрации в Торговом реестре/Реестре бытовых услуг: 18.03.2015
Номер в Торговом реестре/Реестре бытовых услуг: 220993, Республика Беларусь
УНП: 192123248
Регистрационный орган: Минский горисполком
Дата регистрации компании: 18.09.2013
Ссылка на свидетельство/лицензию
Режим работы:
| День | Время работы |
|---|---|
| Понедельник | 09:00-17:00 |
| Вторник | 09:00-17:00 |
| Среда | 09:00-17:00 |
| Четверг | 09:00-17:00 |
| Пятница | 09:00-17:00 |
| Суббота | Выходной |
| Воскресенье | Выходной |









